قاعدة تثبيت هوك سحب مع قواعد تأمين لسلسلة السحب او بيت هوك سحب يناسب معظم السيارات AAA313 Mowjood

89 79

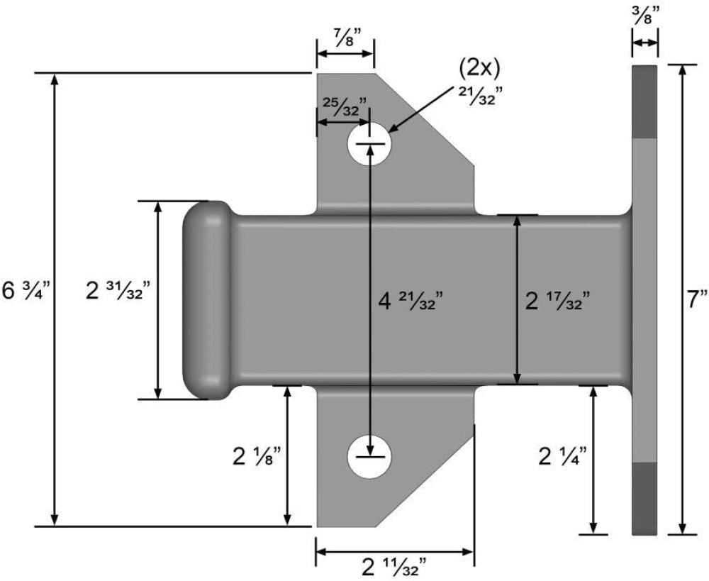
متوافقة مع هوك السحب القياسي: تناسب مقاسات receiver hitch الشائعة (1.25″، 1.5″، 2″) بدون تعديل.

قواعد تأمين سلسلة مدمجة: توفر نقطتين لتثبيت سلسلتي الجر بجانب الهوك، مما يمنع تقلب الحمولة أثناء السحب.

مصنوعة من فولاذ عالي المتانة: طلاء أسود مقاوم للصدأ والتآكل لتحمل الاستخدام الخارجي وظروف الطرق القاسية.

سهولة التركيب: أربع فتحات براغي مُسبقَة الثقب لتثبيت آمن وسريع باستخدام أدوات يدوية بسيطة.

تصميم مضغوط: حجم مدمج لا يؤثر على ارتداد السيارة أو زاوية الخلوص الخلفية.

أمان إضافي: يضمن ثبات الهوك وسلاسل الجر، ويقلل خطر فصل السلسال أو تلف الحمولة أثناء الحركة.

استخدامات متعددة: مناسب للسيارات، الشاحنات، المقطورات، وعربات التخييم.

صيانة منخفضة: الطلاء الواقٍ يحمي القاعدة لفترات طويلة دون الحاجة لإعادة طلائها أو تشحيمها.

تفاصيل المنتج
  • رقم الموديل
    AAA313
  • 89 79
نفدت الكمية
المنتج غير متوفر حاليا

منتجات قد تعجبك